电池板IU特征曲线科普中国-科学百科 2018-04-25 作者:石季英 |
电池板IU特征曲线是用来研究电池板电阻的变化规律的特征曲线图,图像常以纵坐标表示通过电池板的电流I、横坐标表示电池板两端的电压U,以此画出的I-U图像叫做导体的电池板IU特征曲线。
引言
化石能源即将枯竭现状的威逼和日益严峻的环境问题的压力,使得
储量无限、使用清洁无污染的太阳能成为人们所青睐的能源之一。而光电转换是太阳能利用的主要手段,太阳能电池板则是实现光电转换必不可少的器件。在电量消耗中照明用电占总用电量的14%,所以研究光伏LED照明系统符合绿色节能的发展理念。而其中太阳能电池板的特性是整个系统研究应用的基本出发点,掌握了电池板的输出特性就能选择合适的跟踪方法对其最大功率点准确跟踪,提高光电转换率。根据电池板的输出曲线和跟踪方法可以检验对电池板最大功率点的跟踪效果,以使整个光伏照明系统高效可靠。自从电池板的出现,对其特性的研究就未曾间断过。只是等效电路中的并联电阻容易在简化的分析中被忽略,这对单板的特性研究影响较小,但在电池板组件的组装使用过程中,这种影响以及产生的误差就不得不被考虑。1
电池板模型的建立等效电路
在光照强度不变时,光电池产生的电流基本保持不变,等
效电路中可以将其看成恒流源。光生电流通过负载产生的电压又使p-n结正偏,产生与光电流方向相反的暗电流Id。此外,由于电池板材料本身的电阻率在光生电流的作用下会引起电池板内部的串联损耗,引入串联电阻Rs。而且由于工艺的必然缺陷会使电池板产生漏电流,引入并联电阻Rsh。由此可以得出太阳能电池板的等效电路图。
等效模型建立
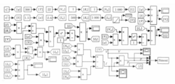
为了了解电池板输出特性,首先在外界环境稳定的理想情况下,
对电池板模块进行仿真,将光照强度和温度分别设置为1000W/m2和25℃。为下面将要进行变化的温度、光照强度下电池板的特性曲线分析,以及不同串并联个数电池板输出特性曲线分析做好基础。其中,A取值为1.5。根据12V-50W太阳能电池板的参数,开路电压为22V,短路电流为2.6A,按照公式(1)~(5)在Simulink中建立仿真模块。

从图中可以看出太阳能电池板的输出电流随着输出电压的增大先保持不变随后快速减小;电池板的输出功率随着输出电压的增大先增大,达到最大功率点后随着输出电压的增大又迅速减小。这反映的内在关系是:在电池板负载电阻值增大的过程中,它的输出电流刚开始基本保持不变,然后快速减小。只有当负载电阻值达到与电池板内阻相匹配的时候,电池板输出最大功率。
实际环境下电池板的输出特性串并联方式
由于光伏照明系统中照明设备的额定工作电压和电流一般比单个太阳
能电池板的输出电压和电流大,所以在光伏照明系统中将许多块电池板进行串并联连接后使用。下面分别对不同并联电池板个数和不同串联电池板个数的模型进行仿真,其电压-功率仿真结果曲线如所示。从图中可以看出,随着并联电池板个数的增加,最大功率值也增加,但最大功率所对应的电压在减小,即当并联的电池板数量较多时电池板工作在较小的电压即可达到最大功率。而这种变化在并联电池板个数增加到3个后就基本停止,输出曲线基本不变。图(a)中曲线由下到上表示电池板并联个数分别为1、2、3、4、5、6。图(b)中横轴的分度值比较大使得左边的第一条曲线看起来很小,而且也使曲线下降看起来很陡直。从图(b)可以看出,电池板的输出功率仍然是随着输出电压的增大先增大后减小。但是随着串联电池板个数的增加,最大功率峰值先逐渐增大,超过一定值后输出曲线中最大功率峰值保持不变。
不同光照强度
在研究光照强度对电池板的影响时,为了消除温度的影响,在
参考温度T0为300K时设定当前温度为恒定值300K。取Ir0为1000W/m2为标准光照强度,根据公式:
Iph=Isc·[1+m(T-T0)]Ir/Ir0
来判断其他各光照强度下的光生电流值。式中Ir为当前光照强度。建
立变化光照强度下的电池板仿真模块,其中光照强度的变化过程是以单位延迟模块产生的。为了与光照强度变化的频率相一致,电压信号设置为周期2s的锯齿波。在Simulink建立的光照强度变化时电池板仿真模型中,光照强度和输出电压变化的仿真模块如图5所示。
设定仿真时间为5s,可以得出在光照强度为200、400、600、800、1000W/m2下太阳能电池板的输出特性曲线。仿真结果如图6所示。图中,(a)、(b)中的曲线从下到上光照强度依次分别为200、400、600、800、1000W/m2。
从图中可以看出太阳能电池板的输出电压随着光照强度的增大基本保持不变,而输出电流随着光照强度的增强而增大。
不同温度
从公式(6)可以看出,光生电流也是温度的函数。为消除光照强度的影响,标准光
照强度Ir和当前光照强度Ir0都取值为1000W/m2。在电池板的短路电流温度系数m取值0.003A/K的情况下可计算出不同温度下的光生电流大小。此外,温度也会对开路电压产生影响。1
总 结
从输出曲线可以看出,电池板的输出电流随着输出电压的增大先基本保持不变,然后快速减小;输出功率随着电压的不断增大,先增大再减小。此外,电池板最大功率处所对应的电压值会随着并联电池板的数量增加而减小,但当并联电池板数量超过3时输出曲线就基本保持不变;最大功率峰值会随着串联电池板数量的增加先增大,当串联电池板数量超过一定值时最大功率值开始保持不变。而且太阳能电池板的输出功率随着光照强度的增强而增大,随着温度的升高而减小,所以光伏照明系统中,电池板应尽可能在低温的条件下增强光照强度。1
本词条内容贡献者为:
石季英 - 副教授 - 天津大学
责任编辑:科普云
科普中国APP
科普中国微信
科普中国微博

最新文章
-
为何太阳系所有行星都在同一平面上旋转?
新浪科技 2021-09-29
-
我国学者揭示早期宇宙星际间重元素起源之谜
中国科学报 2021-09-29
-
比“胖五”更能扛!我国新一代载人运载火箭要来了
科技日报 2021-09-29
-
5G演进已开始,6G研究正进行
光明日报 2021-09-28
-
“早期暗能量”或让宇宙年轻10亿岁
科技日报 2021-09-28
-
5G、大数据、人工智能,看看现代交通的创新元素
新华网 2021-09-28








